叶轮直径大、转速快,矿浆和药物搅拌能力强;
搅拌能力的增强,使矿浆和药物循环能力也得到加强;
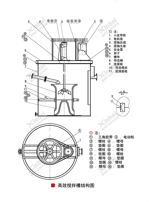
乐发IIIV搅拌槽中有一个导流体,较大的负压缩小在有限空间内,加速了抽吸能力,使药矿循环能力更强,又增加了抽吸能力和循环能力;
导流体下部设有喷射体,药矿的循环能力更进一步加强,有利于提高浮选指标。
高效搅拌槽主要用于浮选作业前的矿浆搅拌,使药剂与矿浆充分混合。也可用于化工、建材行业料浆搅拌及氰化工厂、污水处理厂等工业部门。

乐发IIIV高效搅拌槽工作原理为:矿浆在叶片叶轮的旋转作用下,沿轴向从叶轮下端排出,在叶轮腔形成负压,使矿浆从叶轮上面流入叶轮腔加以补充。同时,在稳流板的导流作用下,矿浆在槽内形成中心向下、四周向上的垂直循环流。当矿浆的上升流速度大于矿粒的沉降速度时,矿浆中的矿粒便呈悬浮状态,并保持均匀的浓度。

乐发IIIV广西某金矿选矿厂在调浆加药过程中采用了传统的浆式搅拌槽,搅拌力不强,矿浆绕竖轴回转药剂混合不均,叶轮磨损快。后来在咨询过鑫海矿装后,鑫海为其推荐了高效搅拌槽,该设备伞形叶轮直径大、线速度大,使药剂调和均匀,能耗比浆式搅拌槽节约24%,药剂消耗节省约20%,浮选指标较之前显著提高。叶轮采用聚氨酯材料,耐磨性能较强,在该厂取得了满意的效果。
| 型号 | 有效容积(m3) | 叶轮转速(r.p.m) | 叶轮直径(mm) | 电机型号 | 电机功率(kw) | 重量(kg) |
|---|---|---|---|---|---|---|
| GBJ-1000X1000 | 0.58 | 530 | 240 | Y112M-6 | 2.2 | 548 |
| GBJ-1250X1250 | 1.15 | 350 | 240 | Y100L2-4 | 3 | 820 |
| GBJ-1500X1500 | 2.2 | 320 | 420 | Y132M2-6 | 5.5 | 1350 |
| GBJ-2000X2000 | 4.4 | 240 | 560 | Y160M-6 | 7.5 | 3173 |
| GBJ-2500X2500 | 9.2 | 272 | 560 | Y180L-6 | 15 | 3939 |
| GBJ-3000X3000 | 19.1 | 220 | 700 | Y225S-8 | 18.5 | 6676 |
| GBJ-3500X3500 | 31 | 248 | 700 | Y225M-8 | 22 | 7581 |
| GBJ-4000X4000 | 45 | 153 | 1000 | Y250M-8 | 37 | 9560 |
您可以在下面表格填写您的需求信息,我们的技术与销售人员会尽快与您取得联系。为保证能及时处理您的信息,请务必准确填写您的联系电话!