温馨提示: 如果你想了解更多信息(如产品价格、参数、规格及处理能力等),请联系鑫海客服,我们竭诚为您提供优质的服务和知识分享,鑫海欢迎您的来访!
微信询价
乐发IIIV 鑫海矿装解吸电解炭提金系统多用于黄金矿山炭浆厂载金炭的处理,可以使金脱离载金炭并沉淀成高品位的金泥,具有高效、低耗、快速的特点,是生产成品金所适宜的配套系统。
性能特点
乐发IIIV 鑫海矿装解吸电解炭提金系统是具有比较高效、低耗、快速特点的自动控制、高温、高压、无氰解吸电解炭提金装备系统。系统自动化程度比较高,安全设施比较齐全,技术指标比较优秀,操作比较简单方便,运行比较稳定可靠。
1.高效解吸电解完成后贫炭品位多稳定在较低水平,解吸效率比较高,在载金炭品位3000g/t时解吸率可达96%以上;
贫炭品位较常规解吸电解装置可降低3—4倍,有利于稳定炭吸附作业的排液品位提高吸附率,同时也降低了氰化尾矿中粉炭的含金损失,可提高氰化实际回收率;
乐发IIIV 2.快速解吸电解温度可高达150℃,系统工作压力高达0.5Mpa较常规系统高出0.2-0.5MPa,因而解吸电解时间很快,可以在12-14小时以内完成全部解吸电解工作,较常规系统工作时间缩短近3倍;
乐发IIIV 3.低耗解吸电解温度相同,不需换热,由于工作快速,因此耗电总量是常规系统的1/2-1/4;
4.无氰
乐发IIIV 解吸液中不需加氰化钠,成本低,无污染。
该系统可以按用户要求提供阴极材料;金泥品位也比常规系统高;不需反电解;易提金泥;节省冶炼成本;
5.自动控制液位缓冲机构——由于在运行过程中液体汽化及系统压力变化等原因,系统液体量会有波动,为此系统特设了液位缓冲机构,该机构能够自动抵消液位的变化,始终维持系统正常运行; 温度控制系统——温度达到设定值时,该系统自动摘开部分电加热器,剩余电加热器自动维持系统工作温度,如果系统温度低于设定下限,投入被摘开的电加热器,这样系统温度一直稳定在设定值。
6.三重安全措施 为了切实保障系统安全,采取了三重安全措施:
一是系统自身智能化,当循环泵不运转时,系统内的液体将不流动,为防上止局部高温汽化升压电加热器自动断电。当某一位置由于堵塞而压力上升时电加热器也自动停止工作。循环泵恢复运转或压力降低后,电加热器会自动投入工作;
二是具有专门的压力释放机构,当系统压力升高到一定值后,该机构自动打开泻压,调整压力到正常值;
三是安全阀,只有上述两道措施万一共同失效情况下才起作用。
系统结构
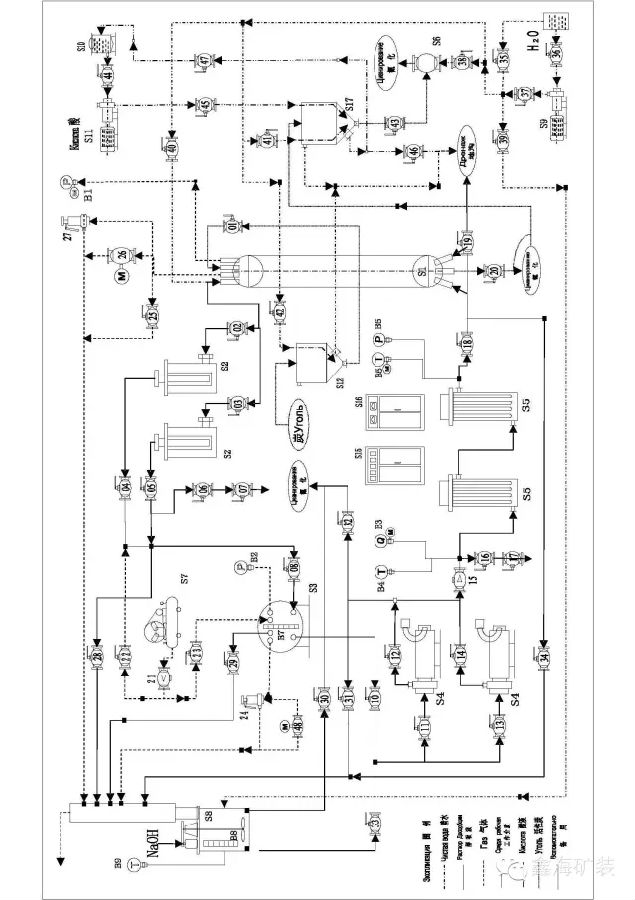
乐发IIIV 系统组成该系统主要由解吸部分、电解部分、仪控部分、管路阀门等组成,各部分相互渗透,组成一完整体系;

工艺流程图

案例
坦桑尼亚1200tpd金矿选矿厂项目
该项目的解吸电解装置,这是“全泥氰化提金”方案的核心设备之一。解吸电解是一整套系统,由于楼层遮挡看不到全貌,下面补一张在工厂中的解吸电解系统全貌图。
鑫海津巴布韦700tpd岩金矿选厂项目
刚刚安装完成的解吸电解装置。浸出系统吸附饱和的载金炭送到高温高压解吸电解系统进行提金处理,电解出的金泥含金较高,除杂后直接送高频熔金炉进行冶炼,最终产品为合质金。
鑫海苏丹500tpd金矿选厂项目
乐发IIIV 该工艺主要由解吸与电解两大部分组成,将解吸与电解过程分开,使溶剂解吸在综合解吸塔内进行,而贵液电解则在独立的电解池内完成。
上一篇:两会消息:利用矿业周期低点“走出去”获取海外金属矿产
下一篇:砂金矿选矿工艺
乐发IIIV您可以在下面表格填写您的需求信息,我们的技术与销售人员会尽快与您取得联系。为保证能及时处理您的信息,请务必准确填写您的联系电话!